Page 1 of 2
Selecting reverse is difficult
Posted: Sun Jul 28, 2024 8:25 pm
by David2021
My green tourer can be a bit difficult to engage reverse when hot, the button doesn’t want
To engage properly ( gives you a sore thumb!)
I have checked the oil level and it could take a bit.
Is there any adjustment?
On a different subject, my door cards are back and they look great


David
Re: Selecting reverse is difficult
Posted: Sun Jul 28, 2024 9:14 pm
by SHyslop
I'm only writing this quickly in case it's a good day tomorrow (weather, that is, and you want to get on"):
1) There is some adjustment possible at the clutch cable. Worth trying. Was the freewheel set to "Free" or "Fixed" when you bought the car ? If "Fixed" , it may suggest that a previous owner has used the clutch more rather than less. All those (avoidable) clutch actions result in cumulative wear but on the other hand, clutches do last a long time.
2) Adjustment of the plate under the gear selector lever. Slackening the holding screws would show whether you achieve any easier change, or not.
3) I had difficulty with reverse on a car due to wear on the gear selector finger. Taking the finger off and turning it round cured the problem although I have acquired new fingers to solve the problem properly.
4) Too fast a tickover.
5) Wear or slackness in the cotter pin holding the clutch shaft resulting in insufficient withdrawal.
It will be interesting to hear what it turns out to be.
Re: Selecting reverse is difficult
Posted: Mon Jul 29, 2024 7:33 am
by David2021
Thanks for prompt reply!
I haven’t tried the freewheel yet, perhaps now is the time.
Rickover is slow and steady (unknown Zenith carb!) Only seems to happen when everything is really warmed up. I will top the oil up first. Clutch is very smooth, seems well adjusted, I do get a clonk / squawk from the rear of the car occasionally if I am clumsy changing into top…only top from third, but that is not relevant to the selection issue.
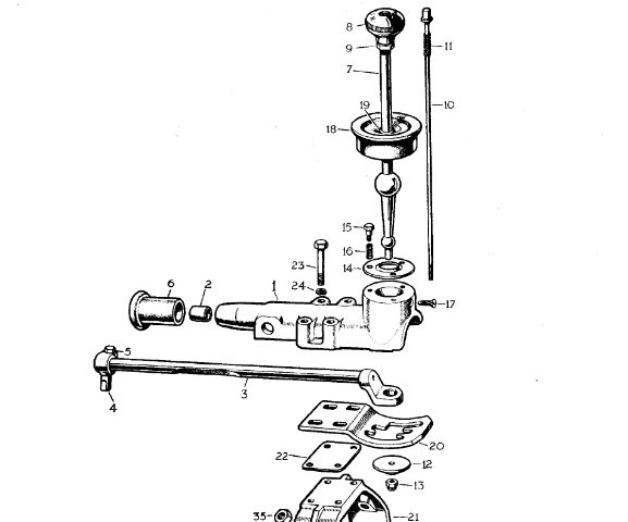
As the carpets etc are out I will look at the selector plate (new territory for me) as is the gear selector finger….The exploded diagram in the parts list will be my friend I’m sure….
I hope I can select reverse when the box is-cold today..the car is front first in the garage

David
Re: Selecting reverse is difficult
Posted: Mon Jul 29, 2024 8:16 am
by David2021
I have read the workshop manual now…it sounds a bit daunting, but the reverse push rod is adjustable, I just hope I don’t disturb all the other gear settings when I remove the remote. I hope all may be clearer when I look at it. Maybe I won’t need to remove the remote assembly?
I doubt it!!
Watch this space.
Re: Selecting reverse is difficult
Posted: Mon Jul 29, 2024 8:52 am
by SHyslop
That all sounds quite promising. It sounds as if the less likely alternatives are indeed that and it's a mechanical control issue, either in the gear selection or the clutch. At the stage you're at, I wouldn't rush to dismantle anything other than the gearbox cover before carefully looking at the gear selection parts. Either the plate underneath the remote is catching or the finger isn't properly entering the reverse selector. If it's doing both accurately and repeatedly then the clutch itself would seem to be where the problem lies.
I wonder if it's worthwhile also to have a look at the freewheel cable and its adjustment at the gearbox end. I have a 38 14 which I just couldn't get the freewheel to work on because the cable wasn't tight enough in at the gearbox end. It may not have any bearing on your problem but as you know, the freewheel cable and the reverse shaft are interconnected.
Worn withdrawal fingers ? I've seen them badly worn but still selecting. Hopefully it's something quite straightforward although it's quite satisfying to have had a box out and know that the clutch has enough life in it for probably the rest of your/our days.
Re: Selecting reverse is difficult
Posted: Mon Jul 29, 2024 9:41 am
by GOY189
The big semi circular rubber support block under the gearbox can perish and cause this sort of problem. Replacement available from Meteor Spares
Mike
Re: Selecting reverse is difficult
Posted: Mon Jul 29, 2024 3:38 pm
by HAD501
Spigot bearing in the flywheel?? - could cause similar effect to a dragging clutch if it's not turning freely. On second thoughts, both these would problems would affect first gear as well, wouldn't they?
Actually, having re-read your original post, I'm not exactly sure whether you mean the gear lever won't move into reverse or that horrible grinding noises occur when it does - whichever it is would eliminate some of the possibilities.
Good luck anyway, DavidM
Re: Selecting reverse is difficult
Posted: Mon Jul 29, 2024 3:56 pm
by David2021
Thank you all for your comments
No, the problem is only selecting reverse when hot (and stationary!) This morning in the garage...easy. I suspect adjustment Maybe something is expanding when hot? The Mediterranean sunshine is invoking torpor, so I probably will leave it for now and wait for the urge to do something, to go away!
The Chirrup /graunch noise seems to come from the rear & only when changing into top a bit fiercely (not wheelspin I fear!)
I will be more gentle and leave well alone.
Masterly inactivity cures lots of things!
D
Re: Selecting reverse is difficult
Posted: Wed Aug 07, 2024 1:10 pm
by David2021
Well I had the rubber cover off & exposed the gearbox top, so gave the selector a good clean up, and did the same to the gear lever. I could see the reverse stop and the disc at the base of the unit, but without removing the remote it did not seem possible to adjust it. So, all back together, clean & freshly greased....Reverse went in fine, but no second gear.......
Took the gear knob back up the stick a bit as I thought I had screwed it down a bit further than before.....Magic! all gears engaging, reverse still a bit of a shove, I have not yet tried it when hot (I have been diverted by fitting LED bulbs to the side & tail lights), but I'm out in it tomorrow, so we will see....
How could altering the location of the gear knob affect the centre reverse push knob action?
Re: Selecting reverse is difficult
Posted: Wed Aug 07, 2024 11:38 pm
by luli
All you have to do is turn nut 13 few turns so that disk 12 can reach a little lower.(remove thhe split pin first)

- gear-remote-a.jpg (31.26 KiB) Viewed 13957 times